Another auto-feed drilling idea
I drill on a lathe using a special auto-feed method that produces better accuracies and surface finishes as compared with manually feeding drills. The results are often comparable to those of reamed holes.
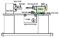
First, I position the lathe's tailstock and set it up for drilling with the required drill and drill chuck. With the tailstock's underside clamping bolt loose, I affix a tool blank or wedge in the lathe toolpost in such a way that the blank or wedge entangles in the cavity or depression in the tailstock casting.
I then switch the lathe to autofeed, set the spindle at low rpm, and start the lathe. The lathe's carriage pulls the tailstock along with it for the autofeed action while drilling.
Kiran Gorur
Bangalore, India
www.aminfo.biz/406.ad
